设为首页
收藏本站
赞助论坛
土星守则
升级攻略
繁体中文
仙门
Portal
论坛
BBS
资讯
导读
Guide
掌门
秘库
学堂
商铺
圈子
Group
排行榜
Ranklist
登录
立即注册
Top100排名
新手任务
徽章系统
领取红包
打卡签到
互助平台
版主红包
积分抽奖
我的钱包
灵力值兑换
邀请码购买
土星人论坛
»
论坛
›
【土星人】社区服务Service
›
微文分享
›
角焊缝达到这样才算合格
返回列表
发布新帖
[焊接]
角焊缝达到这样才算合格
92
0
阿斯米
Lv.24
发表于 2025-11-24 17:34:37
|
查看全部
阅读模式
马上注册,结交更多好友,享用更多功能,让你轻松玩转社区。
您需要
登录
才可以下载或查看,没有账号?
立即注册
×
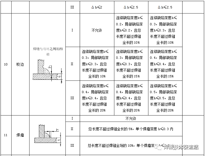
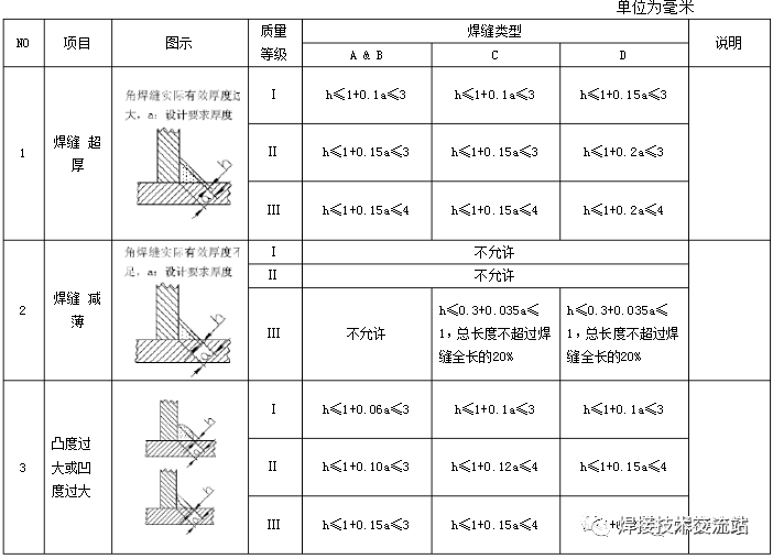
此项标准适用于图纸及工艺文件中无特殊要求的焊接件。
焊缝分类 :
根据结构件的受力情况以及重要性,把焊缝分为A、B、C、D等四大类。
焊缝质量等级:
将焊缝分为三个等级:其中I级为优秀、II级为良好,III级为合格。
焊缝外观质量的检验规则:
焊缝按对接焊缝和角接焊缝的外观质量要求分别进行检验。
焊缝外观质量检验项目和要求
角接焊缝:
焊缝
,
质量
,
外观
,
分为
,
等级
"小礼物走一走,来土星人论坛支持我"
打赏
还没有人打赏,支持一下
回复
转播
使用道具
举报
提升卡
置顶卡
沉默卡
喧嚣卡
变色卡
抢沙发
千斤顶
显身卡
相关帖子
ASME VIII-1气压试验的专项要求
GB/T 15543-2008 电能质量 三相电压不平衡GBT 15543-2008
GB/T 12326-2008 电能质量 电压波动和闪变GBT 12326-2008
GB/T 12325-2008 电能质量 供电电压偏差GBT 12325-2008
GB/T 8923.1~4覆涂料前钢材表面处理 表面清洁度的目视评定GBT 8923.1~4
高强螺栓和普通螺栓有什么区别?
为何在620℃焊后热处理(PWHT)之后,焊缝中常出现未熔合缺陷?
GB/T 26951-2025 焊缝无损检测 磁粉检测
焊接热裂纹及形成机理
一种便携高精度超声应力设备及焊缝残余应力研究
返回列表
发布新帖
回复
高级模式
B
Color
Image
Link
Quote
Code
Smilies
您需要登录后才可以回帖
登录
|
立即注册
本版积分规则
发表回复
回帖并转播
回帖后跳转到最后一页
阿斯米
Lv.24
掌门
主题
0
回帖
精华
+ 关注
发消息
ASME Ⅷ-1压力容器压力试验核心要点
2026-02-26
为什么在钢材的焊接工艺评定标准里,有对焊接接头打硬度的要求?
2026-02-26
ASME VIII-1气压试验的专项要求
2026-02-25
管道焊接中的固定焊口、转动焊口、预制焊口的区别
2026-02-25
哈氏合金(Hastelloy alloy)
2026-02-14
查看更多
上一主题
下一主题
关灯
在本版发帖
扫一扫添加微信客服
QQ客服
返回顶部
快速回复
返回顶部
返回列表