设为首页收藏本站赞助论坛土星守则升级攻略
返回列表 发布新帖

[焊接] 焊接符号识图培训

442 8
阿斯米 发表于 2026-4-8 08:52:16 | 查看全部 阅读模式

马上注册,结交更多好友,享用更多功能,让你轻松玩转社区。

您需要 登录 才可以下载或查看,没有账号?立即注册

×
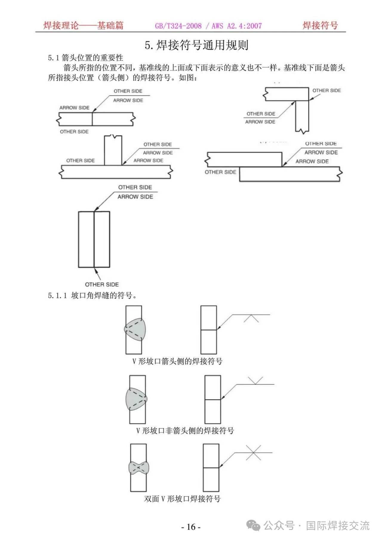
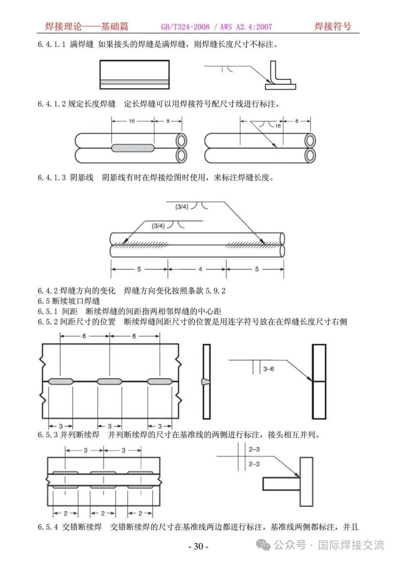
本文档围绕GB/T324-2008与AWS A2.4:2007两大焊接符号标准,系统讲解焊接定义与分类、焊接符号组成、标注规则、常见焊缝/接头形式及非破坏性检验符号,明确基本符号、补充符号、尺寸标注、箭头与基准线位置核心规范,统一中美国标在焊缝表达、尺寸标注、尾部信息、现场/周边焊等关键环节的使用要求,支撑图纸焊接信息准确传递。
85a701fd08e027ee8fc750b9462a7532.png
cd9fbf331bef8009ccd81bada1f4653b.jpg
7b8d4c1bad400db8392d8c52c59f2c51.jpg
fb05cdb7ed2e2c727a44a6fe82156659.jpg
eb2cce9942216c5649926413dc367442.jpg
6464a65f47840b18c3ae5f2c15768017.jpg
b5e5d6f97a78d2b27f0741b829e6f22d.jpg
783e38c29be36d284ca163c9f2488640.jpg
54915e1ad890a85b2b74a42569372bef.jpg

6ac9a1226f30f053a8d80f5511f2bd5c.jpg
0256ee51b229554d12a862d2015d70de.jpg
4e52716e90da95d9204efddb35da5cb7.jpg
b303334c9b9f3d0d4e26900a5d014bfb.jpg
723026da5547edc1c45928bd009a7dc3.jpg

f124bf6fc0c21edd5dd71a9f773664f6.jpg
8a5c330a2fff1c341764b74c5b25c7e2.jpg
3f4b81626e9770832c85ddede341588a.jpg
d0b2ded6a4306708d42b45805239bc88.jpg
7709939c5e6dd65d8777464b606cbfbf.jpg
e86596a2049bda74ec5d7d5987cf81aa.jpg
fc63282c6de3a688bee68b2800b9cf91.jpg
4c669beecbfac71c2def44a6b086f584.jpg
1cbc4b85e5b51ad309ce35603e8deee5.jpg
6efbf09e1c13d1a20933df1445e2c3b3.jpg
ed29a4b0ebe962fbbe33034f76ec8987.jpg

f4d48eeeab2fe6a511745f26f0cd4d14.jpg
b7ceb9eebdb19eb67249ce7476a933fc.jpg
046bc0c441420ee3f031c70a3d55a177.jpg
95612ee118fc51541e55fbc211518a39.jpg
320d4a4ee1c01db54be7ee98596a070f.jpg
9ae512e2bb5356699fff583ec34cee2f.jpg
35de1705cd190932b6d4637ab2e0e959.jpg
0127736fab876637643e2c2e00c1d650.jpg
dfb4d31fb22bcc205de12ea2da7fa36b.jpg
7125091a6734688f107b56eac0f60b22.jpg
9de2b71c1b3097b3fe5d7cb601698dfb.jpg
618f97340d44cd1b35f2a88451dd5e02.jpg
611a99063918a7709225a0c511b693a1.jpg
bf57fb24f526d68268c208ab6b1159a9.jpg
b1c2393025b92cb1ec89d35feba3b416.jpg
e3ac723a9e8247d81649e0d9c0cd4805.jpg
5452876093051cf5e4c194b0edd99ba5.jpg








"小礼物走一走,来土星人论坛支持我"
还没有人打赏,支持一下

评论8

smysmiley 发表于 2026-4-10 11:26:28 | 查看全部
感谢楼主分享好资料
还没有人打赏,支持一下
回复 支持 反对

使用道具 举报

明空月Lv.7 发表于 2026-4-11 08:06:03 | 查看全部
谢 谢 分 享、、、、、、
还没有人打赏,支持一下
回复 支持 反对

使用道具 举报

漂泊的心Lv.5 发表于 2026-4-13 16:53:13 | 查看全部
多谢楼主的分享
回复 支持 反对

使用道具 举报

liuyu1029Lv.5 发表于 2026-4-14 14:40:34 | 查看全部
谢谢分享谢谢分享谢谢分享
回复 支持 反对

使用道具 举报

wujian_kf 发表于 2026-4-15 11:17:20 来自手机 | 查看全部
感谢楼主分享好资料
还没有人打赏,支持一下
回复 支持 反对

使用道具 举报

colin178Lv.4 发表于 2026-4-16 09:04:34 | 查看全部
感谢分享      
回复 支持 反对

使用道具 举报

47601513Lv.5 发表于 2026-4-17 17:06:47 | 查看全部
这个资料好,感谢楼主
回复 支持 反对

使用道具 举报

水科环保Lv.5 发表于 2026-4-18 08:44:07 | 查看全部
好资料,谢谢分享
回复 支持 反对

使用道具 举报

回复

您需要登录后才可以回帖 登录 | 立即注册

本版积分规则

关灯 在本版发帖
扫一扫添加微信客服
QQ客服返回顶部
快速回复 返回顶部 返回列表